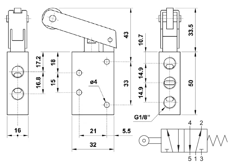
Пневморозподільник 03V Z0 5 00 02 з механічним керуванням призначено для керування потоком стисненого повітря в пневматичних приводах.
Технічні характеристики пневморозподільника:

Немає питань про даний товар, станьте першим і задайте своє питання.
Пневморозподільник 03V Z0 5 00 02 з механічним керуванням призначено для керування потоком стисненого повітря в пневматичних приводах.
Технічні характеристики пневморозподільника:

Немає питань про даний товар, станьте першим і задайте своє питання.