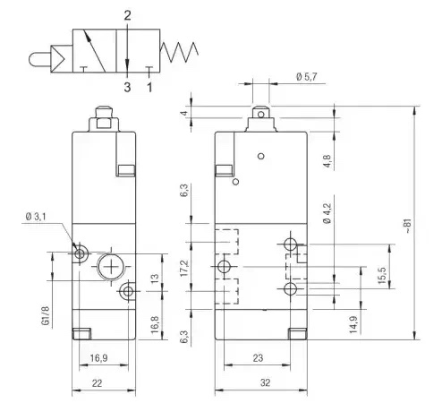
Пневморозподільник 01V N0 3 NC 02 з електропневматични керуванням призначено для керування потоком стисненого повітря в пневматичних приводах.
Технічні характеристики пневморозподільника:

Немає питань про даний товар, станьте першим і задайте своє питання.