Пневморозподільник AZ Pneumatica 3/2 з механічним керуванням призначений для керування потоком стисненого повітря в пневматичних приводах.
Технічні характеристики пневморозподільника 3/2:
| Модель пневморозподільника | Артикул | Приєднання, мм | Витрата при 6 Bar, Nl/min | Робочий тиск, Bar | Температура, ºC | Матеріал |
| 321 2P | 00.133.4 | 1/8" | 550 | 2 - 10 | -10 ... +60 | Анодований алюмінієвий кронштейн корпус, нікельований золотник, ущільнення з NBR. |
Схема пневморозподільника 321 2P:

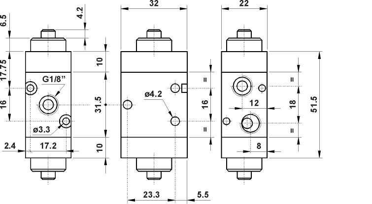
Креслення пневморозподільника 321 2P:

Немає питань про даний товар, станьте першим і задайте своє питання.