Пневморозподільник AZ Pneumatica 3/2 з механічним керуванням призначений для керування потоком стисненого повітря в пневматичних приводах.
Технічні характеристики пневморозподільника 3/2:
| Модель пневморозподільника | Артикул | Приєднання, мм | Витрата при 6 Bar, Nl/min | Робочий тиск, Bar | Температура, ºC | Матеріал |
| 304 MA | 08.030.4 | 4 | 100 | 2 - 10 | -10 ... +60 | Анодований алюмінієвий кронштейн корпус, нікельований золотник, ущільнення з NBR. |
| 304 MA UL | 08.050.4 | 4 | 100 | 2 - 10 | -10 ... +60 | Анодований алюмінієвий кронштейн корпус, нікельований золотник, ущільнення з NBR. |
Схема пневморозподільника 304 MA:

Схема пневморозподільника 304 MA UL:

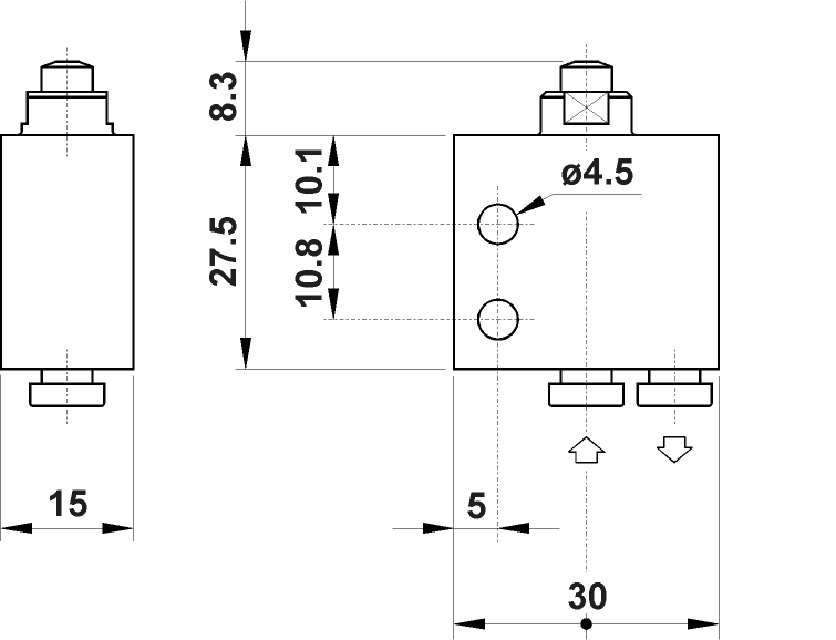
Креслення мікро пневморозподільника 304 MA:

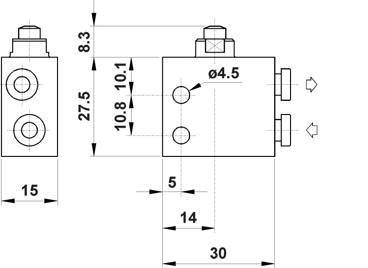
Креслення мікро пневморозподільника 304 MA UL:

Немає питань про даний товар, станьте першим і задайте своє питання.