Пневморозподільник AZ Pneumatica 3/2 1/2" 90º з ручним приводом (важіль) призначений для керування потоком стисненого повітря в пневмоприводах різного призначення.
Технічні характеристики пневморозподільника 3/2:
| Модель пневморозподільника | Різьба, дюйм | Витрата при 6 Bar, Nl/min | Робочий тиск, Bar | Температура, ºC | Кріплення | Матеріал |
| 324 ML90 (02.059.4) | 1/2" | 5000 | 0 - 10 | -10 ... +60 | 5,5 | Анодований алюмінієвий кронштейн корпус, нікельований золотник, ущільнення з NBR. |
| 324 LL90 (02.058.4) | 1/2" | 5000 | 0 - 10 | -10 ... +60 | 5,5 | Анодований алюмінієвий кронштейн корпус, нікельований золотник, ущільнення з NBR. |
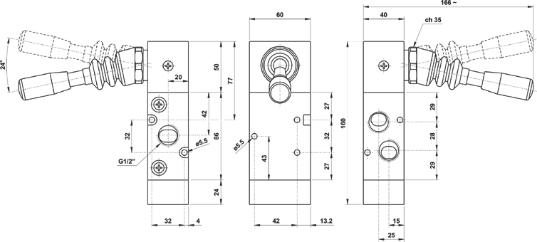
Схема пневморозподільника 324 ML90 :

Схема пневморозподільника 324 LL90 :


Немає питань про даний товар, станьте першим і задайте своє питання.