Кошик 0
Список бажань 0
Ви дивилися 8
Особистий кабінет
Меню
Наша адреса: м. Київ, пр-т Берестейський 67, корпус і, офіс 211
м. Київ, пр-т Берестейський 67, корпус і, офіс 211
Пн. - Пт. 09:30 - 18:00
80.81 грн.

Плоскі вакуумні присоски серії SF

Виробник: AIRBEST
Модель: SF15N
Передзамовлення
80.81 грн.

Плоскі присоски тип SF AIRBEST

  • Подходит для работы с плоскими предметами.
  • Электропроводящий силикон эффективно предотвращает статическое повреждение электронных продуктов.
  • Доступны различные размеры для заготовок разных форм и размеров.

Сфера застосування

  • Зубчатая деревянная поверхность
  • Гладкая стальная пластина
  • Фанера
  • Пластиковая пластина
  • Электронный компонент
     

Технічні характеристики

Модель Сила втягування, N Внутрішній об'єм, см³ Маса, г Рекомендований діаметр шланга, мм
SF15 8 0.5 0.7 6
SF20 14.5 0.8 1.4 6
SF25 22 1.2 1.8 6
SF30 32 1.5 2.6 6
SF40 60 3 5.2 6
SF50 88 7 11.5 6
SF75 200 20 47.2 8
SF110 430 60 116 10
SF150 795 160 344.2 10
SF200 1500 550 732.2 12
SF300 3200 730 2700 12

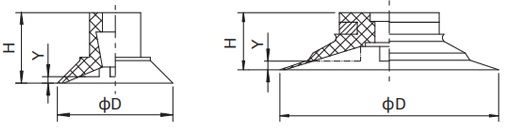
Креслення SF15 і SF20-50

Модель D H Y
SF15 16.5 11 0.8
SF20 22 8 1
SF25 27 9 1
SF30 32 10 1.2
SF40 42 13 1.2
SF50 53 17.5 3.2

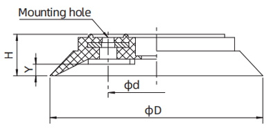
Креслення SF75-200

Модель D H d Y Монтажний отвір
SF75 77 13 35 4 4-Ø6
SF110 112 20 55 6 8-Ø6
SF150 152 26 70 8 8-Ø6
SF200 200 45 40 20 4-Ø9

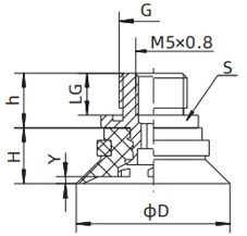
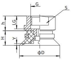
Креслення присоски SF15-M5M з фітингом зовнішнє різьблення

Модель D H G LG h S Y
SF15-M5M 16.5 11 M5X0.8 3.5 7.5 7 0.8

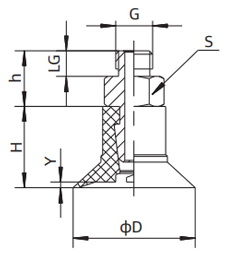
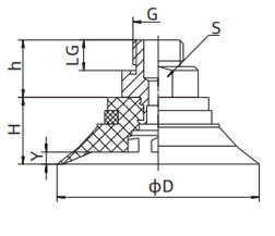
Креслення присоски SF20-30 з фітингом

SF20-30 Male thread connection SF20-30 Female thread connection
Модель D H G LG h S Y
SF20-G1M 22 8 1/8 6 7.8 13 1
SF20-G1F 22 8 1/8 7 8 13 1
SF25-G1M 27 9 1/8 6 7.8 13 1
SF25-G1F 27 9 1/8 7 8 13 1
SF30-G1M 32 10 1/8 6 7.8 13 1.2
SF30-G1F 32 10 1/8 7 8 13 1.2

Креслення присоски SF40-50 з фітингом

SF40-50 Male thread connection SF40-50 Female thread connection
Модель D H G LG h S Y
SF40-G1M 42 13 1/8 6 12 17 1.2
SF40-G1F 42 13 1/8 7 10 17 1.2
SF50-G2M 53 17.5 1/4 9 17 24 3.2
SF50-G2F 53 17.5 1/4 10 13 24 3.2
SF50-G3M 53 17.5 3/8 10 18 24 3.2
SF50-G3F 53 17.5 3/8 11 13 24 3.2
SF75-150 Female thread connection
Модель D H G h Y
SF75-G2F 77 13 1/4 13 4
SF110-G4F 112 20 1/2 9 6
SF150-G4F 152 26 1/2 10 8

МОНТАЖНЕ ПРИЛАДДЯ
УНІВЕРСАЛЬНА ПЛОСКА ПРИСОСКА

Модель
М - Зовнішня різьба
Модель
F - внутрішнє різьблення F - внутрішнє різьблення
Застосовна присоска
PJS-M5M-SC3 - SF15
PJS-G1M-SF1 PJS-G1F-SF1 SF20,25,30
PJS-G1M-SF2 PJS-G1F-SF2 SF40
PJS-G2M-SF3 PJS-G2F-SF3 SF50
PJS-G3M-SF3 PJS-G3F-SF3 SF50
- PJS-G3F-SF75 SF75
- PJS-G4F-SF110 SF110
- PJS-G4F-SF150 SF150
- PJS-G4F-SF200 SF200

Немає питань про даний товар, станьте першим і задайте своє питання.

Рекомендовані товари
Найменування Артикул Ціна Кількість
Присоска тип SF SF15N SF15N 80.81 грн.
Кріплення PJS-M5M-SC3 PJS-M5M-SC3 80.81 грн.
Присоска тип SF SF20S SF20S 160.37 грн.
Присоска тип SF SF30N SF30N 129.26 грн.
Присоска тип SF SF30S SF30S 178.73 грн.
Кріплення PJS-G1M-SF1 PJS-G1M-SF1 130.28 грн.
Кріплення PJS-G1F-SF1 PJS-G1F-SF1 132.83 грн.
Кріплення PJS-G1M-SF2 PJS-G1M-SF2 263.90 грн.
Кріплення PJS-G1F-SF2 PJS-G1F-SF2 263.90 грн.
Присоска тип SF SF50N SF50N 201.17 грн.
Кріплення PJS-G2M-SF3 PJS-G2M-SF3 300.11 грн.
Кріплення PJS-G2F-SF3 PJS-G2F-SF3 247.07 грн.
Кріплення PJS-G2F-SF4 PJS-G2F-SF4 634.16 грн.
Присоска тип SF SF110N SF110N 665.78 грн.
Кріплення PJS-G4F-SF5 PJS-G4F-SF5 964.64 грн.