Пневмодвигун (пневмомотор) безмасляний Globe V2 NL
| Модель | Макс.вих. потужність, кВт | Макс.вих.крут. момент, Нм | Макс.скор. обертання, об/хв | Варіант монтажу | Вага, кг |
| на стійці | |||||
| фланець Nema 56C |
Увага! Усі дані наведено для надлишкового робочого тиску 6 бар.
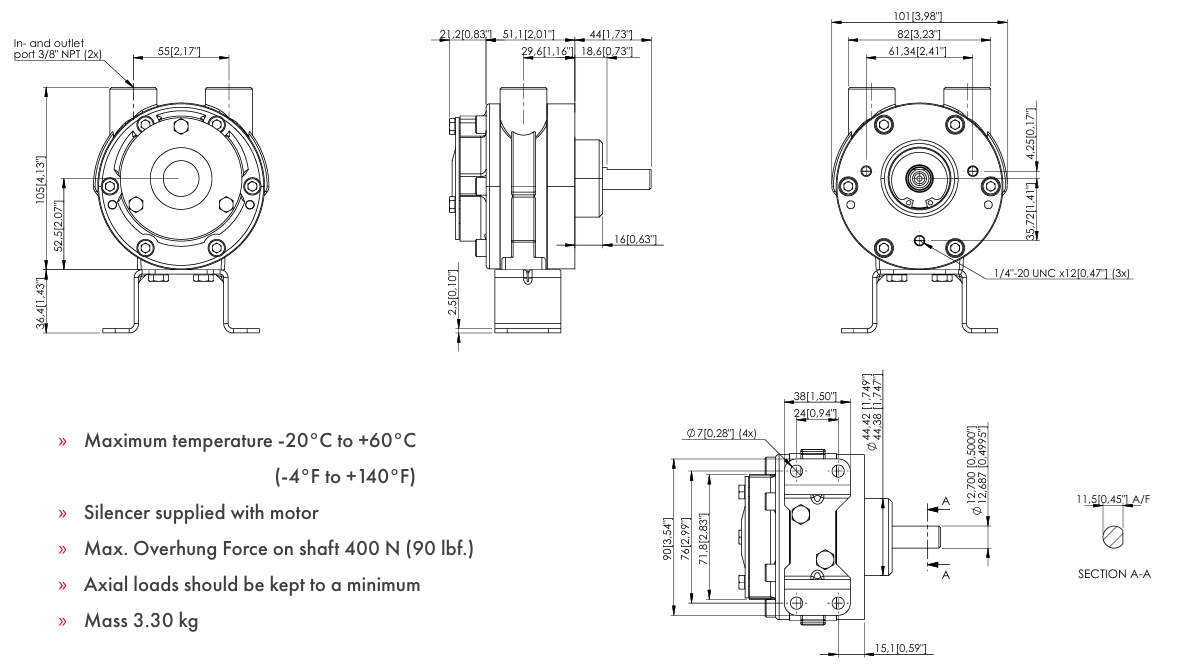
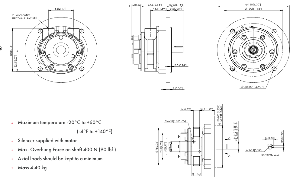
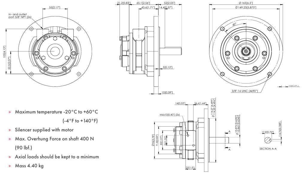
| Креслення пневматичного двигуна GLOBE V2: | |
| VA2J&X-NL |
|
| VS2C-NL |
|
| VA2C-NL |
|
Пневмодвигун (пневмомотор) V2фірми GLOBE Airmotors - це пневмодвигун пластинчастого типу, призначений для перетворення енергії стисненого повітря в обертальний рух, який отримують на валу пневмомотора.
Пневмодвигуни GLOBE Airmotorsвідповідають високим вимогам сучасного ринку щодо надійності та мають винятково міцну конструкцію.
Галузь застосування - стрічкові накопичувачі, приводи насосів, для пакування харчових продуктів, фармацевтичного пакування, підйомники та лебідки, шлангові, подрібнювачі скловолокна,
натяжні пристрої, поворотні столи.
Особливості - регульована швидкість обертання, зміна напрямку обертання, відсутність іскріння, відсутність нагріву, компактний, працюють у будь-якому положенні.
Немає питань про даний товар, станьте першим і задайте своє питання.


